Descrição
Características da Bomba Elétrica KSB FIREBLOC 32.160R 7,5CV 4V Trifásico Vermelha Incêndio:
Indicada para o bombeamento de líquidos limpos ou turvos em sistemas de combate a incêndio. Atende a norma NBR 13714.
Bomba centrífuga horizontal, simples estágio, sucção horizontal e descarga vertical, acoplado ao motor elétrico no sistema monobloco. Além de compacta, a KSB Firebloc também é “back-pullout”, eliminando a necessidade de desconexão das tubulações de sucção e recalque para execução de eventuais serviços de manutenção.
Características técnicas da Bomba Elétrica KSB FIREBLOC 32.160R 7,5CV 4V Trifásico Vermelha Incêndio:
– Vazões até 40 m3 /h
– Altura manométrica até 55 m
– Temperatura de operação até 90O C
– Pressão de sucção até 3 bar Motor 220/380/440/760 V
– Rotação 3500 rpm
– Grau de proteção do motor IP55
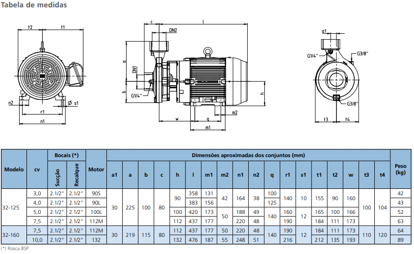
(clique para ampliar a imagem)
Sobre a RIALTI
A RIALTI atua desde 1970 na comercialização de bombas hidráulicas, motores, sistemas de pressurização, equipamentos e produtos para piscinas, saunas, spas, banheiras e hidromassagens. Localizada no tradicional Centro Comercial do Rio de Janeiro, na Avenida Mem de Sá, a Rialti atende a toda região metropolitana com entrega em domicílio. Para seu conforto e comodidade, contamos ainda com uma equipe especializada. Oferecemos soluções completas para condomínios, construtoras, empresas, academias e residências. Entre em contato conosco e saiba mais sobre nossas soluções! Saiba mais!
Para mais informações, entre em contato conosco pelo Televendas clicando aqui
Ligue já! Nossa Equipe Especializada está pronta para te atender. Descubra o produto ideal para sua necessidade aqui na Rialti Máquinas e Motores.
Confira nosso Instagram e fique por dentro de nossas principais noticias e atualizações!




Avaliações
Não há avaliações ainda.